
Parts supplied may not always conform exactly to
illustration
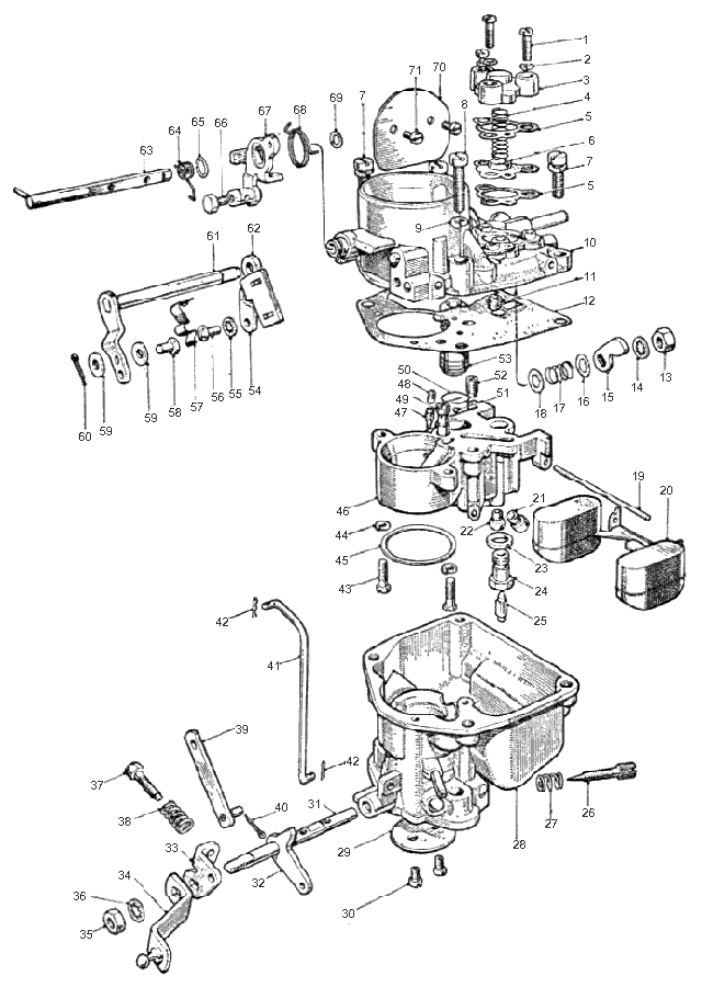
| Illus No | Description | Illus No | Description |
|---|---|---|---|
| 1 | Economy cover screw x3 | 37 | Throttle stop screw |
| 2 | Spring washer x3 | 38 | Spring for 37 |
| 3 | Economy valve cover | 39 | Pump link |
| 4 | Economy spring | 40 | Split pin |
| 5 | Gasket for diaphragm x2 | 41 | Interconnection link |
| 6 | Diaphragm assembly | 42 | Pin for 41 x2 |
| 7 | Screw short x2 | 43 | Screw for emulsion block x2 |
| 8 | Screw long x2 | 44 | Spring washer for 43 x2 |
| 9 | Spring washer for 8 & 9 | 45 | "O" ring |
| 10 | Floatchamber cover & intake | 46 | Emulsion block |
| 11 | Ventalation screw | 47 | Pump jet |
| 12 | Floatchamber cover gasket | 48 | Plug for 47 |
| 13 | Nut fixing pump lever | 49 | Pump discharge valve |
| 14 | Shakeproof washer | 50 | Circlip for pump inlet |
| 15 | Pump lever | 51 | Ball for pump jet |
| 16 | Washer | 52 | Slow running jet |
| 17 | Spring | 53 | Pump piston assembly |
| 18 | Washer | 54 | Choke bracket |
| 19 | Float arm pivot | 55 | Shakeproof washer |
| 20 | Float | 56 | Screw fixing bracket |
| 21 | Main jet | 57 | Clip for strangle bracket |
| 22 | Enrichment jet | 58 | Pivot pin for pump |
| 23 | Washer for needle valve | 59 | Washer x2 |
| 24 | Needle valve (seat) | 60 | Split pin |
| 25 | Needle valve (needle) | 61 | Pump spindle lever |
| 26 | Volume control screw | 62 | Spacing washer |
| 27 | Spring for 26 | 63 | Choke spindle & pin |
| 28 | Body | 64 | Automaticity spring |
| 29 | Throttle | 65 | Circlip |
| 30 | Throttle disc screw x2 | 66 | Screw for swivel |
| 31 | Throttle spindle | 67 | Choke control lever |
| 32 | Lever | 68 | Spirng for 67 |
| 33 | Throttle stop | 69 | Washer for strangler spindle |
| 34 | Throtle lever | 70 | Choke flap |
| 35 | Nut | 71 | Screw for 70 |
| 36 | Lever |
Most parts are available separately. Repair kits, service kits and gasket packs are also available, please state carburettor reference number (stamped on body or tag) or make and model of car, any questions please contact us at.
e-mail :sales@gowerandlee.co.uk
Tel/Fax +44 (0)1923 247300